แบบไทย
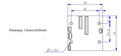
> สัญญาณเตือนเข้า/ออก
> เสียงเข้า/ออก
> สนับสนุน RS485, TTL232
> สนับสนุนการตั้งค่า Baudrate ของ Rs485


ฝากข้อความของคุณ

